← power supply diagram msi distribution system in cloud computing diagram →
If you are searching about Simple Lab Power Supply Circuit you've came to the right web. We have 20 Pictures about Simple Lab Power Supply Circuit like Review: The PeakTech 6080 A Lab Power Supply | Elektor Magazine, Schematic Diagram Of A Power Supply and also Simple Lab Power Supply Circuit. Read more:
Simple Lab Power Supply Circuit

Simple DIY Lab Power Supply - Bajdi Electronics

lab psu diagram supply power simple diy block
Lab Power Supply Schematic Review - Electrical Engineering Stack Exchange

supply power schematic lab review supplies additional sheet electrical
Power Supply: Lab Power Supply

power supply lab schematics circuit 24v mondo pedal voodoo
Lab Power Supply Schematic Review - Electrical Engineering Stack Exchange

supply lab power schematic review sheet
Superb Lab Power Supply : 15 Steps (with Pictures) - Instructables

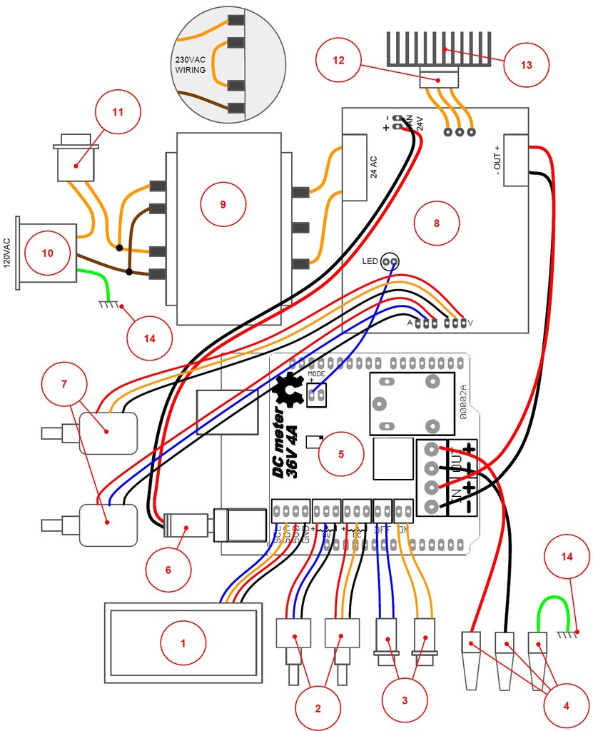
Lab Power Supply Schematic

Superb Lab Power Supply : 15 Steps (with Pictures) - Instructables

Building A Lab Power Supply: A Comprehensive Guide With Schematic Diagrams

Lab Power Supply

Review: The PeakTech 6080 A Lab Power Supply | Elektor Magazine

lab power supply elektor
Computer Power Supply To Lab Power Supply Conversion V2.0 - Instructables

Power Supply – Page 4 – Electronic Circuit Diagram

supply power laboratory 50v 1a circuits voltage rust january 2011 its gr next robustness
Superb Lab Power Supply : 15 Steps (with Pictures) - Instructables

Electronic Theory - PCB Heaven

Musings Of A WAHZ: Lab Power Supply
supply musings
Superb Lab Power Supply : 15 Steps (with Pictures) - Instructables

Zlý Faktor Svätec Pútnik Lab Power Supply Narabar Hrubý Incite

Lab Power Supply « DIY Electronics

lab supply power
Schematic Diagram Of A Power Supply

Simple diy lab power supply. Lab psu diagram supply power simple diy block. Power supply lab schematics circuit 24v mondo pedal voodoo